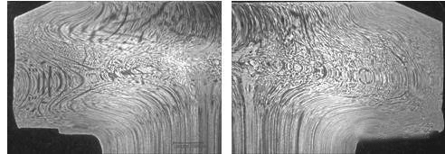
钢锭经过锻造后,粗大不均的晶粒被打碎了,通过再结晶,变成较细的均匀等轴状结晶组织。偏析情况能够得到改善,表面没有发生氧化的气泡和疏松组织可以被压实、焊合。金属更加致密,力学性能有所提高。另一方面,随着钢锭外形在锻造时的变化,金属在钢锭内部发生相对流动。即原有各晶粒要沿变形方向拉长、滑移、破碎,存在于晶粒之间的氧化物、硫化物及其他杂质也随之改变分布形态。变形了的晶粒,在终锻温度以上,可以恢复成均匀的等轴状晶粒,但杂质始终保持着晶粒变形时的状态,在锻造后,作为金属流动的痕迹,被遗留在锻件中。这种杂质在金属内有规律、定向分布的组织叫作纤维组织,杂质在锻件内的分布形态叫作流线。

像木材一样,纤维组织使金属的性能在不同方向上有了差异(方向性),表现为沿着纤维方向(顺长)取试验棒做力学性能试验时,各项技术指标都比垂直纤维方向(横切)的好。
.jpg)
消除铸态缺陷和形成纤维组织,这就是锻造对金属组织和性能的主要影响。这一影响的大小,即消除缺陷的效果和形成纤维的程度如何,主要取决于金属在锻造过程中的变形方式和锻造比。
.jpg)
.jpg)
