021-33518945
sales@shdnpipe.com
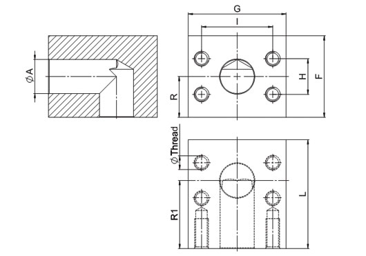
SAE弯通法兰块 SAE Block L-Connection(BF-L型)
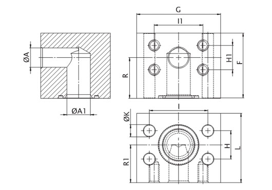
SAE弯通法兰块 SAE Block L-Connection(BC-L型)
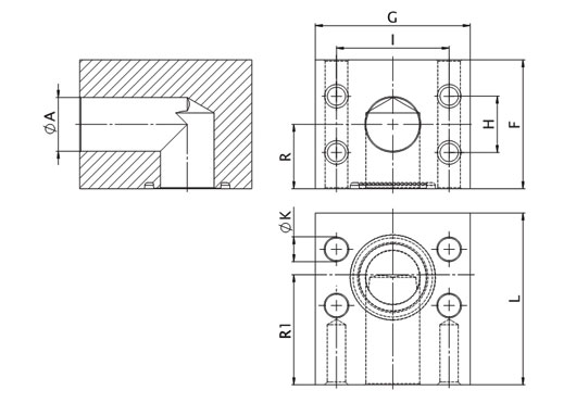
SAE弯通法兰块 SAE Block L-Connection(BF-L-RED型)
联系我们
联系人:徐经理
手机号:13761257088
电话:021-33518945
E-mail:sales@shdnpipe.com
地址:上海嘉定区曹丰路591号