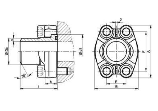
SFS 单端焊接式SAE法兰
SFS单头焊接管式SAE对开法兰组件主要用于通径大于DN13(1/2")液压系统管道连接,可用以对液压泵及集成阀块油口的直接连接,产品适用标准SAE J518、JB/ZQ4187、ISO 6162、ISO 6164,供货范围包括下列零件:
![]() | ![]() |
![]() | |
![]() | |
![]() | |
Ⅰ、工作压力:通常工况下(工作温度-20℃~90℃),法兰产品所推荐的最大工作压力已在产品明细表中列出,设计时请务必注意。
Ⅱ、使用材料:作为标准供货状态,本法兰产品所使用的的材料有碳钢和不锈钢,非焊接式碳钢法兰及接头采用45#钢,焊接式碳钢法兰采用Q345B或20#钢,不锈钢法兰产品采用AISI321/304及AISI316L。
Ⅲ、表面处理:碳钢法兰及接头产品采用3中表面处理方式:1、表面浸油防锈(Blank oiled);2、表面镀Cr+3白锌(DFX);3、表面镀锌镍合金(ZN);不锈钢产品不做表面处理,客户可根据需求进行选择,不同的表面处理方式价格不尽相同。
Ⅳ、安装螺栓:所提供的紧固螺栓均为高强度螺栓,强度等级为ISO 898-1规定的8.8级,按订货要求,也可提供10.9或12.9级内六角高强度的安装螺栓(表面发黑)。
Ⅴ、密封件:法兰产品全部采用O型圈(O-Ring)密封,密封圈材料为丁晴橡胶(NBR),按订货要求,也可提供氟橡胶(FPM)O型圈。
| 因为专业、值得信赖 Because Professional and Trustworthy 专业液压法兰行业17年,我们更注重品牌、质量、服务。 Specialized in Hydraulic Flange industry for 17 years, We pay more attention to Brand, Quality and Service. |
液压法兰工艺流程场


.jpg)
.jpg)

