半管接头 | Socket Weld Boss
Socketweld Boss Specification:
| Size/尺寸 | 1/8″~4″ (DN6~DN100) |
| Class/压力等级 | 3000 LBS, 6000 LBS, 9000 LBS |
| Type/连接形式 | Sockeweld,承插焊、Threaded,螺纹 |
| Surface Treatment/表面处理 | Hot Dipped Galvanizing, Epoxy & FBE Coating, Electro Polish, Sand Blasting, Soldering |
| Materal/材质 | Stainless Steel, Alloy Steel, Duplex, Nickel Alloys, Low temperature Steel, Carbon Steel, Cupro Nickel |
| Manufacturing process/制造工艺 | Cutting, Heat treatment, Forging, Machining 锯切、热处理、模锻、机加工 |
| Manufacturing Standards/制造标准 | BS-3799 |
Socketweld Cap Material Grades:
| Stainless Steel/不锈钢 | ASTM A182 F304, 304L, 316, 316L,310S, 316Ti,317L |
| Duplex & Super Duplex Steel/双相钢 | ASTM A 182 F51, F53, F55, S31803, S32205, S32550, S31254, SMO254, S32750, S32760, S32950. |
| Carbon Steel/碳钢 | ASTM/ ASME A 105, ASTM/ ASME A 350 LF 2 |
| Alloy Steel/合金钢 | ASTM / ASME A 182, ASTM / ASME F5, F9, F11,F22, F 91 |
| Copper Alloy Steel/铜合金 | Copper Alloy Steel Forged Threaded 90 Deg Elbow : ASTM / ASME SB 111 UNS NO. C 10100 , C 10200 , C 10300 , C 10800 , C 12000, C 12200, C 70600 C 71500, ASTM / ASME SB 466 UNS NO. C 70600 ( CU -NI- 90/10) , C 71500 ( CU -NI- 70/30) |
| Nickel Alloy/镍合金 | ASTM / ASME SB 336, ASTM / ASME SB 564 / 160 / 163 / 472, UNS 2200 (NICKEL 200) , UNS 2201 (NICKEL 201 ) , UNS 4400 (MONEL 400 ) , UNS 8020 ( ALLOY 20 / 20 CB 3 ) , UNS 8825 INCONEL (825) , UNS 6600 (INCONEL 600 ) , UNS 6601 (INCONEL 601) , UNS 6625 (INCONEL 625) , UNS 10276 (HASTELLOY C 276) |
Socketweld Cap Dimesions:
| Socket Weld Pressure Class | Pipe Schedule |
| Class 3000 | S80/XH |
| Class 6000 | S160 |
| Class 9000 | XXH |
![]() | |
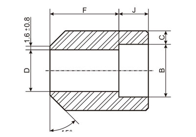
| 半管接头Boss结构图 |
| DN | Nom.Pipe Size | B (Min.) | D | J (Min.) | F | C (Min.) | ||||
| 3000lb | 6000lb | 3000lb | 6000lb | 3000lb | 6000lb | 3000lb | 6000lb | |||
| 6 | 1/8" | 10.7 | 6.8 | --- | 10.0 | --- | 28.0 | --- | 3.2 | --- |
| 8 | 1/4" | 14.1 | 9.2 | --- | 10.0 | --- | 32.0 | --- | 3.3 | --- |
| 10 | 3/8" | 17.6 | 12.5 | --- | 11.0 | --- | 34.0 | --- | 3.5 | --- |
| 15 | 1/2" | 21.8 | 15.5 | 11.8 | 13.0 | 13.0 | 38.0 | 38.0 | 4.1 | 5.2 |
| 20 | 3/4" | 27.4 | 21.0 | 15.5 | 13.0 | 13.0 | 38.0 | 38.0 | 4.3 | 6.1 |
| 25 | 1" | 34.1 | 26.6 | 20.7 | 16.0 | 16.0 | 35.0 | 35.0 | 5.0 | 7.0 |
| 40 | 1-1/2" | 49.0 | 40.5 | 34.0 | 19.0 | 19.0 | 32.0 | 32.0 | 5.6 | 7.8 |
| 50 | 2" | 61.0 | 52.0 | 43.0 | 22.0 | 22.0 | 29.0 | 29.0 | 6.1 | 9.5 |
| 65 | 2-1/2" | 73.8 | 62.0 | 54.0 | 22.0 | 22.0 | 29.0 | 29.0 | 7.7 | 10.4 |
| 80 | 3" | 89.7 | 78.0 | 66.0 | 22.0 | 22.0 | 29.0 | 29.0 | 8.3 | 12.2 |
(1) Dimensions in Millimeters.

