螺纹活接头 | Threaded Union
活接头(union)又叫由壬或由任,是一种能方便安装拆卸的常用管道连接件,主要有锁紧螺母,云头,平接三部分组成。上海希迪管件主要生产锻制高中压类多种连接形式活接头,其工艺由圆钢或钢锭模锻成型后机加工的管道连接件,它的连接形式分承插焊接(承插焊活接头)、螺纹连接(螺纹活接头)、对焊连接(对焊活接头)、内外牙连接等,主要制造标准ASME B16.11、MSS SP 83。由于活接头由锁紧螺母,云头,平接组成,由球面硬密封和四氟垫(或铜垫)软密封,密封性好,有极高的防泄漏能力,同时在管道安装、使用、检修等也极其方便。
Threaded Union Specification:
Threaded Union Specification:
| Size/尺寸 | 1/8"~4" (DN6~DN100) |
| Class/压力等级 | 2000 LBS, 3000 LBS, 6000 LBS |
| Type/连接形式 | Threads: American National Standard Taper Pipe Threads, NPT(ANSI/ASME B1.20.1-1983), Also available in other thread forms: Rc, Rp, BSP, BSPT,BSPP and in any combination. |
| Surface Treatment/表面处理 | Hot Dipped Galvanizing, Epoxy & FBE Coating, Electro Polish, Sand Blasting, Soldering,Darken, 热浸镀锌,环氧树脂和FBE涂层,电抛光,喷砂,发黑 |
| Materal/材质 | Stainless Steel, Alloy Steel, Duplex, Nickel Alloys, Low temperature Steel, Carbon Steel, Cupro Nickel |
| Manufacturing process/制造工艺 | Cutting, Heat treatment, Forging, Machining, 锯切、热处理、模锻、机加工 |
| Manufacturing Standards/制造标准 | MSS SP-83 |
Threaded Union Material Grades:
| Stainless Steel/不锈钢 | ASTM A182 F304, 304L, 316, 316L,310S, 316Ti,317L |
| Duplex & Super Duplex Steel/双相钢 | ASTM A 182 F51, F53, F55, S31803, S32205, S32550, S31254, SMO254, S32750, S32760, S32950. |
| Carbon Steel/碳钢 | ASTM/ ASME A 105, ASTM/ ASME A 350 LF 2 |
| Alloy Steel/合金钢 | ASTM / ASME A 182, ASTM / ASME F5, F9, F11,F22, F 91 |
| Copper Alloy Steel/铜合金 | Copper Alloy Steel Forged Threaded 90 Deg Elbow : ASTM / ASME SB 111 UNS NO. C 10100 , C 10200 , C 10300 , C 10800 , C 12000, C 12200, C 70600 C 71500, ASTM / ASME SB 466 UNS NO. C 70600 ( CU -NI- 90/10) , C 71500 ( CU -NI- 70/30) |
| Nickel Alloy/镍合金 | ASTM / ASME SB 336, ASTM / ASME SB 564 / 160 / 163 / 472, UNS 2200 (NICKEL 200) , UNS 2201 (NICKEL 201 ) , UNS 4400 (MONEL 400 ) , UNS 8020 ( ALLOY 20 / 20 CB 3 ) , UNS 8825 INCONEL (825) , UNS 6600 (INCONEL 600 ) , UNS 6601 (INCONEL 601) , UNS 6625 (INCONEL 625) , UNS 10276 (HASTELLOY C 276) |
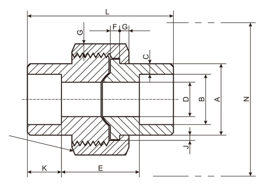
Threaded Union Dimesions:
![]() |
| Threaded Pressure Class | Pipe Schedule |
| Class 2000 | S80/XH |
| Class 3000 | S160 |
| Class 6000 | XXH |
| Nom. Pipe Size | Pipe End | Wall | Water Way Bore | Male Flange | Nut | Threads Per 25.4mm | Bearing | Length Assem. Nom. | Clear Assem. Nut |
| Min.A | Min.C | D | Min.F | Min.G | Max.H | Min.J | L | N | |
| 1/8" | 14.7 | 2.41 | 8.43 6.43 | 3.18 | 3.18 | 16 | 1.24 | 41.4 | 50.8 |
| 1/4" | 19.0 | 3.02 | 11.13 9.45 | 3.18 | 3.18 | 16 | 1.24 | 41.4 | 50.8 |
| 3/8" | 22.9 | 3.20 | 14.27 13.51 | 3.43 | 3.43 | 14 | 1.37 | 46.0 | 55.9 |
| 1/2" | 27.7 | 3.73 | 17.86 17.07 | 3.68 | 3.68 | 14 | 1.50 | 49.0 | 58.4 |
| 3/4" | 33.5 | 3.91 | 23.01 21.39 | 4.06 | 4.06 | 11 | 1.68 | 56.9 | 66.0 |
| 1" | 41.4 | 4.55 | 28.98 27.74 | 4.57 | 4.45 | 11 | 1.85 | 62.0 | 78.7 |
| 1-1/4" | 50.5 | 4.85 | 37.69 35.36 | 5.33 | 5.21 | 11 | 2.13 | 71.1 | 94.0 |
| 1-1/2" | 57.2 | 5.08 | 43.54 41.20 | 5.84 | 5.59 | 10 | 2.31 | 76.5 | 111.8 |
| 2" | 70.1 | 5.54 | 55.58 52.12 | 6.60 | 6.35 | 10 | 2.69 | 86.1 | 132.1 |
| 2-1/2" | 85.3 | 7.01 | 66.27 64.31 | 7.49 | 7.11 | 8 | 3.07 | 102.4 | 149.9 |
| 3" | 102.4 | 7.62 | 88.25 77.27 | 8.26 | 8.00 | 8 | 3.53 | 109.0 | 175.3 |
(1)Dimensions in Millimeters.
(2)Upper and lower values for each size are the respective maximum and minimum dimensions.

