螺纹管箍 | Threaded Coupling
Threaded Coupling Specification:
| Size/尺寸 | 1/8"~4" (DN6~DN100) |
| Class/压力等级 | 3000 LBS, 6000 LBS |
| Type/连接形式 | Threads: American National Standard Taper Pipe Threads, NPT(ANSI/ASME B1.20.1-1983), Also available in other thread forms: Rc, Rp, BSP, BSPT,BSPP and in any combination. |
| Surface Treatment/表面处理 | Hot Dipped Galvanizing, Epoxy & FBE Coating, Electro Polish, Sand Blasting, Soldering,Darken, 热浸镀锌,环氧树脂和FBE涂层,电抛光,喷砂,发黑 |
| Materal/材质 | Stainless Steel, Alloy Steel, Duplex, Nickel Alloys, Low temperature Steel, Carbon Steel, Cupro Nickel 不锈钢、合金钢、双相钢、低温钢、碳钢、镍基合金 |
| Manufacturing process/制造工艺 | Cutting, Heat treatment, Forging, Machining, 锯切、热处理、模锻、机加工 |
| Manufacturing Standards/制造标准 | ASME 16.11, GB/T14383-2018,BS-3799 |
Threaded Coupling Material Grades:
| Stainless Steel/不锈钢 | ASTM A182 F304, 304L, 316, 316L,310S, 316Ti,317L |
| Duplex & Super Duplex Steel/双相钢 | ASTM A 182 F51, F53, F55, S31803, S32205, S32550, S31254, SMO254, S32750, S32760, S32950. |
| Carbon Steel/碳钢 | ASTM/ ASME A 105, ASTM/ ASME A 350 LF 2 |
| Alloy Steel/合金钢 | ASTM / ASME A 182, ASTM / ASME F5, F9, F11,F22, F 91 |
| Copper Alloy Steel/铜合金 | Copper Alloy Steel Forged Threaded 90 Deg Elbow : ASTM / ASME SB 111 UNS NO. C 10100 , C 10200 , C 10300 , C 10800 , C 12000, C 12200, C 70600 C 71500, ASTM / ASME SB 466 UNS NO. C 70600 ( CU -NI- 90/10) , C 71500 ( CU -NI- 70/30) |
| Nickel Alloy/镍合金 | ASTM / ASME SB 336, ASTM / ASME SB 564 / 160 / 163 / 472, UNS 2200 (NICKEL 200) , UNS 2201 (NICKEL 201 ) , UNS 4400 (MONEL 400 ) , UNS 8020 ( ALLOY 20 / 20 CB 3 ) , UNS 8825 INCONEL (825) , UNS 6600 (INCONEL 600 ) , UNS 6601 (INCONEL 601) , UNS 6625 (INCONEL 625) , UNS 10276 (HASTELLOY C 276) |
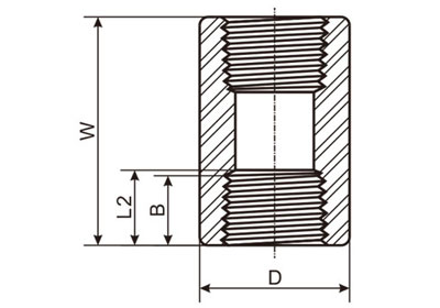
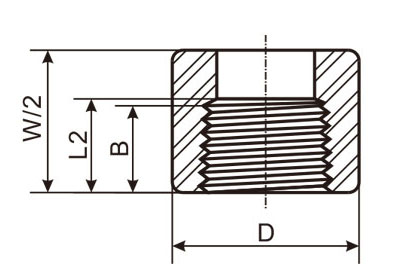
Threaded Coupling Dimesions:
![]() | ![]() |
| Threaded Pressure Class | Pipe Schedule |
| Class 3000 | S160 |
| Class 6000 | XXH |
| DN | Nom. Pipe Size | Center to End Coupling W | Center to End Cap P | Outside Diameter D | End Wall Thickness G Min. | Length Of Thread Min.(1) | ||||
| 3000&6000 | 3000 | 6000 | 3000 | 6000 | 3000 | 6000 | B | L2 | ||
| 6 | 1/8" | 32 | 19 | --- | 16 | --- | 4.8 | --- | 6.4 | 6.7 |
| 8 | 1/4" | 35 | 25 | 27 | 19 | 25 | 4.8 | 6.4 | 8.1 | 10.2 |
| 10 | 3/8" | 38 | 25 | 27 | 22 | 32 | 4.8 | 6.4 | 9.1 | 10.4 |
| 15 | 1/2" | 48 | 32 | 33 | 28 | 38 | 6.4 | 7.9 | 10.9 | 13.6 |
| 20 | 3/4" | 51 | 37 | 38 | 35 | 44 | 6.4 | 7.9 | 12.7 | 13.9 |
| 25 | 1" | 60 | 41 | 43 | 44 | 57 | 9.7 | 11.2 | 14.7 | 17.3 |
| 32 | 1-1/4" | 67 | 44 | 46 | 57 | 64 | 9.7 | 11.2 | 17.0 | 18.0 |
| 40 | 1-1/2" | 79 | 44 | 48 | 64 | 76 | 11.2 | 12.7 | 17.8 | 18.4 |
| 50 | 2" | 86 | 48 | 51 | 76 | 92 | 12.7 | 15.7 | 19.0 | 19.2 |
| 65 | 2-1/2" | 92 | 60 | 64 | 92 | 108 | 15.7 | 19.0 | 23.6 | 28.9 |
| 80 | 3" | 108 | 65 | 68 | 108 | 127 | 19.0 | 22.4 | 25.9 | 30.5 |
| 100 | 4" | 121 | 68 | 75 | 140 | 159 | 22.4 | 28.4 | 27.7 | 33.0 |
(2)Dimension B is minimum length of perfect thread. The length of useful thread(B plus threads with fully formed roots and flat crests)shall not be less than L2(effective length of external thread)required by American National Standard for Pipe Threads (ANSI/ASME B1.20.1)


